Die kleine XT 600 - Typenkunde. Klick aufs Bild für größeres Bild. 34L - XT 600 Z. die Ur-Ténéré, Bj. 83-84. Alle nachfolgenden XT 600 XT600Z und die XTZ660 sind Mutationen dieser Maschine. Sie selbst ist entstanden aus der XT 550. 43F - XT 600.. Technische Daten XT 600 2KF (2NF) YAMAHA Werbung . YAMAHA Prospekte . 1987 . 1988 . 1989/90 . Farbvarianten. Schwarz/ rot, weiss/ rot, blau, Limited edition grün . Die ausgereifteste XT 600 . Mein Fazit (Dies ist eben nur mein Fazit und gilt natürlich nicht allgemein) Plus + :.

Yamaha XT 600 technische Daten

Yamaha xt 600 Bestes Angebot von Yamaha.

Yamaha XT 600 Bestes Angebot von Yamaha.

Yamaha XT 600 Bestes Angebot von Yamaha.

Yamaha XT 600 technische Daten

Yamaha Xt 600 Bestes Angebot von Yamaha.

Yamaha Xt 600 Technische Daten De Autos Gallerie

Yamaha XT 600 Baujahr 1988DatenblattTechnische Details

Yamaha Wr 125 Schaltplan Wiring Diagram
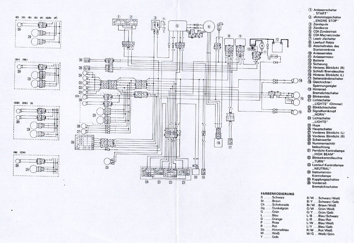
![[DIAGRAM] Eaton Starter Wiring Diagram Xt Series [DIAGRAM] Eaton Starter Wiring Diagram Xt Series](http://www.xt600.de/xt_werkstatt/+technische-referenz/-schaltplan/xt600e_90_95_grafik_3tb.gif)
[DIAGRAM] Eaton Starter Wiring Diagram Xt Series

Yamaha XT 600 technische Daten

Yamaha Xt 600 Bestes Angebot von Yamaha.

Yamaha Tenere 660 Review / 2015 Yamaha XT660Z Ténéré Review Top Speed Yamaha tenere xt 660 z

Brake caliper repair for Yamaha XT 600 E/K/Z Tenere/XT 660H/N Tenere

Yamaha XT 600 technische Daten

Yamaha XT 600 technische Daten

Yamaha XT 250 wendige AllroundEnduro NipponClassic.de

Yamaha XT 600 Bestes Angebot von Yamaha.

YAMAHA XT 600 E

Yamaha XT 600 technische Daten
Datenblatt Yamaha XT 600 Baujahr 1992 - Technische Informationen. Yamaha XT 600 - Technische Details. Letzte Aktualisierung: 28.05.2023. Motor. Bohrung x Hub . Vervollständigen! Hubraum . 595 ccm. Bauart . Einzylinder, luftgekühlt, 4 Ventile pro Zylinder. Abgasreinigung/-norm .. Yamaha XT 600 (1986-87) technical specifications. Yamaha XT 600 is produced in 1986-87. Engine is Four stroke, single cylinder, SOHC, 4 valve, displacement 595 cc / 36.3 cu-in , produces power 46 hp / 34 kW @ 6000 rpm and 4.5 kgf-m / 51 Nm @ 5750 rpm. Yamaha XT 600 top speed is 100 mph / 160 km/h.